снежинка снежинка снежинка
Уцененные товары со скидкой до 80%
Подробнее
снежинка снежинка снежинка
Свяжитесь с нами
+7 (365) 277-76-52
Ваш город: Симферополь
Пн-Сб с 09:00 до 18:00
 
4.9 5

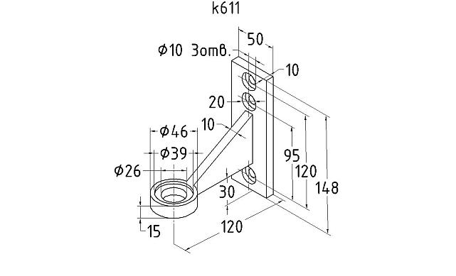
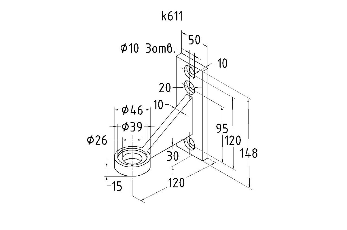
Крепление козырька к стойке алюминиевого фасада, AISI 304, литое , полированное, k611

4 848 ₽/шт
Товары-аналоги
Наличие:
Доставка день в день с нашего склада до ТК для отправки в ваш город
Одинцово
В наличии
СПб-Волковская
В наличии
Москва-Жулебино
Уточняйте у менеджера
КЗ-Алматы
В наличии
Екатеринбург
В наличии
Артикул
k611
Материал
AISI 304 (08Х18Н10)
Способ сборки
Самосбор
Описание
Держатель стеклянного козырька (Соединение стойка - рутель). Полированная деталь, выполненная из стали AISI 304. Состоит из фланса толщиной 10 мм и шириной 50 мм и дистансера с выносом 120мм до центра крепежного отверстия.На основании имеется 3 крепёжных отверстия.
Назначение
Применяется при монтаже козырьков из стекла, навесов над входом в магазин, козырьков над входом в подвал или над местом курения. Один из самых ответственных элементов крепления козырька. Отвечает за крепление конструкции непосредственно к зданию и несёт на себе весь её вес. Используется с рутелем k274-2либо k269-6.
Особенность модели
Крепление Стойка-рутель – деталь, которая возьмёт на себя всю тяжесть конструкции козырька. Поэтому следует наиболее ответственно подойти к её выбору и обратить внимание на все её преимущества:
  • Широкий спектр возможностей. Данная деталь чаще всего продаётся в комплекте с рутелем. Однако мы специально продаём её отдельно, так как это делает возможности её применения значительно шире. Держатель для подвеса стеклянного козырька может использоваться как держатель любых навесных конструкций. Например, рекламных.
  • Высокое качество при низкой цене. 304-я марка стали обеспечивает высокую устойчивость к агрессивной внешней среде. При этом позволяет выпускать крепление по вполне приемлемой цене. Отличный внешний вид детали обеспечивается её высококачественной полировкой.
  • Исключает возможность излома стекла. Конструкция фланца надёжно защищает конструкцию козырька от колебательных нагрузок.
Сборка и установка
Держатель крепится к стене посредством шпильки и втулки к кондуктору. Затем в держатель вкручивается рутель(k274-2 или 269-6) и уже на рутель крепится стекло. Хотите узнать ВСЁ о назначении и применении этой детали? Звоните нашим менеджерам.
Доставка транспортной компанией ПЭК.

Адрес главного терминала: Г Симферополь, ул. Глинки, 67

Доставка транспортной компанией Деловые линии

Адрес основного филиала: 6, Базовая ул., Симферополь, Симферополь

Доставка транспортной компанией Байкал сервис

Адрес основного филиала: г. Симферополь, ул. Узловая, д. 7а

Внимание: указаны адреса основных филиалов, в вашем городе их может располагаться гораздо больше, подробности уточняйте на сайте интересующей вас транспортной компании

Ваш отзыв может стать первым! Добавьте его, нажав на кнопку "Добавить отзыв"
Оцените продукт:
Артикул
k611
Материал
AISI 304 (08Х18Н10)
Способ сборки
Самосбор
Описание
Держатель стеклянного козырька (Соединение стойка - рутель). Полированная деталь, выполненная из стали AISI 304. Состоит из фланса толщиной 10 мм и шириной 50 мм и дистансера с выносом 120мм до центра крепежного отверстия.На основании имеется 3 крепёжных отверстия.
Назначение
Применяется при монтаже козырьков из стекла, навесов над входом в магазин, козырьков над входом в подвал или над местом курения. Один из самых ответственных элементов крепления козырька. Отвечает за крепление конструкции непосредственно к зданию и несёт на себе весь её вес. Используется с рутелем k274-2либо k269-6.
Особенность модели
Крепление Стойка-рутель – деталь, которая возьмёт на себя всю тяжесть конструкции козырька. Поэтому следует наиболее ответственно подойти к её выбору и обратить внимание на все её преимущества:
  • Широкий спектр возможностей. Данная деталь чаще всего продаётся в комплекте с рутелем. Однако мы специально продаём её отдельно, так как это делает возможности её применения значительно шире. Держатель для подвеса стеклянного козырька может использоваться как держатель любых навесных конструкций. Например, рекламных.
  • Высокое качество при низкой цене. 304-я марка стали обеспечивает высокую устойчивость к агрессивной внешней среде. При этом позволяет выпускать крепление по вполне приемлемой цене. Отличный внешний вид детали обеспечивается её высококачественной полировкой.
  • Исключает возможность излома стекла. Конструкция фланца надёжно защищает конструкцию козырька от колебательных нагрузок.
Сборка и установка
Держатель крепится к стене посредством шпильки и втулки к кондуктору. Затем в держатель вкручивается рутель(k274-2 или 269-6) и уже на рутель крепится стекло. Хотите узнать ВСЁ о назначении и применении этой детали? Звоните нашим менеджерам.
Доставка транспортной компанией ПЭК.

Адрес главного терминала: Г Симферополь, ул. Глинки, 67

Доставка транспортной компанией Деловые линии

Адрес основного филиала: 6, Базовая ул., Симферополь, Симферополь

Доставка транспортной компанией Байкал сервис

Адрес основного филиала: г. Симферополь, ул. Узловая, д. 7а

Внимание: указаны адреса основных филиалов, в вашем городе их может располагаться гораздо больше, подробности уточняйте на сайте интересующей вас транспортной компании

Ваш отзыв может стать первым! Добавьте его, нажав на кнопку "Добавить отзыв"
Оцените продукт:
Контроль качества
Обновление от 17.09.2025
Вместе с этим товаром покупают
Крепление ванты(тяги) козырька к стойке алюминиевого фасада, AISI 304,литое,полированное, k610 купить в Симферополе
k610
304
3 720 ₽/шт
Крепление ванты(тяги) козырька к стойке алюминиевого фасада, AISI 304,литое,полированное, k610
Наконечник ванты (тяги) под резьбу М16 левый (AISI304) k661-L купить в Симферополе
k661-L
304
2 684 ₽/шт
Наконечник ванты (тяги) под резьбу М16 левый (AISI304) k661-L
Наконечник ванты (тяги) под резьбу М16 правый (AISI304) k661-R купить в Симферополе
k661-R
304
2 604 ₽/шт
Наконечник ванты (тяги) под резьбу М16 правый (AISI304) k661-R
Крепление стеклодержателя (рутеля) к ванте (серьга) (AISI304) k659 купить в Симферополе
k659
304
3 118 ₽/шт
Крепление стеклодержателя (рутеля) к ванте (серьга) (AISI304) k659
Рутель под стекло 10-26 мм, шпилька М14, регулируемый, разборный (AISI 304) k269-6 купить в Симферополе
k269-6
304
2 334 ₽/шт
Рутель под стекло 10-26 мм, шпилька М14, регулируемый, разборный (AISI 304) k269-6
I-спайдер-200мм, AISI 304, 2х26х38, 1х18х36/40мм, нагрузки: 1кН, 2кН k288-I-2 купить в Симферополе
k288-I-2
304
1 741 ₽/шт
I-спайдер-200мм, AISI 304, 2х26х38, 1х18х36/40мм, нагрузки: 1кН, 2кН k288-I-2
Вант (тяга) для козырька М16, длина 1450 мм (AISI 304) k668-16-1450 купить в Симферополе
k668-16-1450
304
4 045 ₽/шт
Вант (тяга) для козырька М16, длина 1450 мм (AISI 304) k668-16-1450
Крепление ванты(тяги) козырька к стене (AISI304), литое, полированное k658 купить в Симферополе
k658
304
3 479 ₽/шт
Крепление ванты(тяги) козырька к стене (AISI304), литое, полированное k658
Вант(тяга) для козырька М16, длина 1750мм (AISI 304) k668-16-1750 купить в Симферополе
k668-16-1750
304
3 789 ₽/шт
Вант(тяга) для козырька М16, длина 1750мм (AISI 304) k668-16-1750
Рутель для крепления козырьков на ванты, разборный, для стекла 10-26 мм, нержавеющая сталь AISI 316, полированная k274-2 купить в Симферополе
k274-2
316
5 016 ₽/шт
Рутель для крепления козырьков на ванты, разборный, для стекла 10-26 мм, нержавеющая сталь AISI 316, полированная k274-2
Крепление стеклодержателя (рутеля) к стене под резьбу М14 (AISI304) k660 купить в Симферополе
k660
304
3 663 ₽/шт
Крепление стеклодержателя (рутеля) к стене под резьбу М14 (AISI304) k660
Кондуктор стандартный алюминиевый для монтажа козырька на алюминиевый фасад,275мм, под 7 саморезов k615S купить в Симферополе
k615S
3 315 ₽/шт
Кондуктор стандартный алюминиевый для монтажа козырька на алюминиевый фасад,275мм, под 7 саморезов k615S
k668-16-L2 Вант (тяга) для козырька М16, 1000-2000 мм (AISI 304) купить в Симферополе
k668-16-L2
304
6 811 ₽/шт
k668-16-L2 Вант (тяга) для козырька М16, 1000-2000 мм (AISI 304)
Крепление стеклодержателя (рутеля) к ванте (серьга) (AISI316) k659-16 купить в Симферополе
k659-16
316
3 466 ₽/шт
Крепление стеклодержателя (рутеля) к ванте (серьга) (AISI316) k659-16
Вант(тяга) для козырька М16, длина 1150мм (AISI 304) k668-16-1150 купить в Симферополе
k668-16-1150
304
3 408 ₽/шт
Вант(тяга) для козырька М16, длина 1150мм (AISI 304) k668-16-1150
Вант (тяга) для козырька М16, длина 2000 мм (AISI 304) k668-16-2000 купить в Симферополе
k668-16-2000
304
4 550 ₽/шт
Вант (тяга) для козырька М16, длина 2000 мм (AISI 304) k668-16-2000
Кондуктор облегченный алюминиевый для монтажа козырька на алюминиевый фасад,200мм, под 5 саморезов k615L купить в Симферополе
k615L
3 294 ₽/шт
Кондуктор облегченный алюминиевый для монтажа козырька на алюминиевый фасад,200мм, под 5 саморезов k615L
Рутель для вантового крепления козырьков, регулируемый, разборный, под стекло от 10 до 28 мм, полированный, диаметр внешнего кольца 52, шпилька М14 (AISI 304) k269-5 купить в Симферополе
k269-5
304
2 555 ₽/шт
Рутель для вантового крепления козырьков, регулируемый, разборный, под стекло от 10 до 28 мм, полированный, диаметр внешнего кольца 52, шпилька М14 (AISI 304) k269-5
Крепление тяги к стене двойное (AISI304) k669 купить в Симферополе
k669
304
18 283 ₽/шт
Крепление тяги к стене двойное (AISI304) k669
Наконечник ванты (тяги) с резьбой М16 правый, литой , полированный (AISI316) k661-16-R купить в Симферополе
k661-16-R
316
4 499 ₽/шт
Наконечник ванты (тяги) с резьбой М16 правый, литой , полированный (AISI316) k661-16-R
Популярные товары в этой категории
Пистолет для хим.анкера Bit Ф-1103 купить в Симферополе
Ф-1103
19 019 ₽/шт
Пистолет для хим.анкера Bit Ф-1103
Паста Фламил 200 грамм для удаления загрязнений, потемнений и полировки царапин Ф-0819 купить в Симферополе
Ф-0819
6 005 ₽/шт
Паста Фламил 200 грамм для удаления загрязнений, потемнений и полировки царапин Ф-0819
(DIN 975.A2) Шпилька нерж. М16 М-3962 купить в Симферополе
М-3962
304
1 875 ₽/шт
(DIN 975.A2) Шпилька нерж. М16 М-3962
(DIN 975.Zn) Шпилька оц. М16 М-3954 купить в Симферополе
М-3954
1 096 ₽/шт
(DIN 975.Zn) Шпилька оц. М16 М-3954
Хим.анкер  Bit-Stick 400 мл Ф-0799 купить в Симферополе
Ф-0799
1 940 ₽/шт
Хим.анкер Bit-Stick 400 мл Ф-0799
(DIN 1587.A2) Колп. гайка нерж. М16 М-3212 купить в Симферополе
М-3212
175 ₽/шт
(DIN 1587.A2) Колп. гайка нерж. М16 М-3212
Гайка для рутеля(стеклодержателя)М14, шаг резьбы 1,5, AISI 304 k650 купить в Симферополе
k650
304
266 ₽/шт
Гайка для рутеля(стеклодержателя)М14, шаг резьбы 1,5, AISI 304 k650
(DIN 9021.Zn) Шайба оц. кузовная М16х50х3 М-3720 купить в Симферополе
М-3720
22 ₽/шт
(DIN 9021.Zn) Шайба оц. кузовная М16х50х3 М-3720
Крепление стеклодержателя (рутеля) к ванте (серьга) (AISI304) k659 купить в Симферополе
k659
304
3 118 ₽/шт
Крепление стеклодержателя (рутеля) к ванте (серьга) (AISI304) k659
Крепление стеклодержателя (рутеля) к стене под резьбу М14 (AISI304) k660 купить в Симферополе
k660
304
3 663 ₽/шт
Крепление стеклодержателя (рутеля) к стене под резьбу М14 (AISI304) k660
Миксер для химии Ф-1102 купить в Симферополе
Ф-1102
144 ₽/шт
Миксер для химии Ф-1102
Крепление ванты(тяги) козырька к стене (AISI304), литое, полированное k658 купить в Симферополе
k658
304
3 479 ₽/шт
Крепление ванты(тяги) козырька к стене (AISI304), литое, полированное k658
Рутель под стекло 10-26 мм, шпилька М14, регулируемый, разборный (AISI 304) k269-6 купить в Симферополе
k269-6
304
2 334 ₽/шт
Рутель под стекло 10-26 мм, шпилька М14, регулируемый, разборный (AISI 304) k269-6
Наконечник ванты (тяги) под резьбу М16 левый (AISI304) k661-L купить в Симферополе
k661-L
304
2 684 ₽/шт
Наконечник ванты (тяги) под резьбу М16 левый (AISI304) k661-L
Наконечник ванты (тяги) под резьбу М16 правый (AISI304) k661-R купить в Симферополе
k661-R
304
2 604 ₽/шт
Наконечник ванты (тяги) под резьбу М16 правый (AISI304) k661-R
I-спайдер-200мм, AISI 304, 2х26х38, 1х18х36/40мм, нагрузки: 1кН, 2кН k288-I-2 купить в Симферополе
k288-I-2
304
1 741 ₽/шт
I-спайдер-200мм, AISI 304, 2х26х38, 1х18х36/40мм, нагрузки: 1кН, 2кН k288-I-2
Стеклодержатель (рутель) под стекло от 16 до 24 мм, полированный (AISI 316) k274 купить в Симферополе
k274
316
3 734 ₽/шт
Стеклодержатель (рутель) под стекло от 16 до 24 мм, полированный (AISI 316) k274
k668-16-L2 Вант (тяга) для козырька М16, 1000-2000 мм (AISI 304) купить в Симферополе
k668-16-L2
304
6 811 ₽/шт
k668-16-L2 Вант (тяга) для козырька М16, 1000-2000 мм (AISI 304)
k668-16-L3 Вант (тяга) для козырька М16, 2000-3000мм (AISI 304) купить в Симферополе
k668-16-L3
304
9 248 ₽/шт
k668-16-L3 Вант (тяга) для козырька М16, 2000-3000мм (AISI 304)
Стеклодержатель (рутель) под стекло толщиной от 16 до 24 мм, полированный (AISI 304) k269 купить в Симферополе
k269
304
2 545 ₽/шт
Стеклодержатель (рутель) под стекло толщиной от 16 до 24 мм, полированный (AISI 304) k269
Товары аналоги
Стеклодержатель (рутель) под стекло от 16 до 24 мм, полированный (AISI 316) k274 купить в Симферополе
k274
316
3 734 ₽/шт
Стеклодержатель (рутель) под стекло от 16 до 24 мм, полированный (AISI 316) k274
Стеклодержатель (рутель) под стекло толщиной от 16 до 24 мм, полированный (AISI 304) k269 купить в Симферополе
k269
304
2 545 ₽/шт
Стеклодержатель (рутель) под стекло толщиной от 16 до 24 мм, полированный (AISI 304) k269
Спайдер-200 мм X-образный 4х26х38, 1х18х36/40 мм, нагрузки: 1кН, 2кН (AISI 304) k288-X купить в Симферополе
k288-X
304
6 671 ₽/шт
Спайдер-200 мм X-образный 4х26х38, 1х18х36/40 мм, нагрузки: 1кН, 2кН (AISI 304) k288-X
Основание спайдера О-БОЛТ, под плоскость, оцин.(винт AISI 304) k299 купить в Симферополе
k299
304
3 978 ₽/шт
Основание спайдера О-БОЛТ, под плоскость, оцин.(винт AISI 304) k299
Крепеж спайдера к плоскому основанию О-БОЛТ, оцин.(винт AISI 304) k299-2 купить в Симферополе
k299-2
304
3 312 ₽/шт
Крепеж спайдера к плоскому основанию О-БОЛТ, оцин.(винт AISI 304) k299-2
Также Вам может понадобиться
Диск абразивный 150х5.5х12, Grit 320 k464 купить в Симферополе
k464
388 ₽/шт
Диск абразивный 150х5.5х12, Grit 320 k464
Шлиф.круг самолип. d.125,P.120 KLINGSPOR Ф-1085 купить в Симферополе
Ф-1085
98 ₽/шт
Шлиф.круг самолип. d.125,P.120 KLINGSPOR Ф-1085
Шлиф.круг самолип. d.125,P.400 KLINGSPOR Ф-0906 купить в Симферополе
Ф-0906
45 ₽/шт
Шлиф.круг самолип. d.125,P.400 KLINGSPOR Ф-0906
Перчатки х/б, точка Ф-0809 купить в Симферополе
Ф-0809
27 ₽/шт
Перчатки х/б, точка Ф-0809
Шлиф.круг самолип. d.125,P.320 SMIRDEX Ф-0908 купить в Симферополе
Ф-0908
46 ₽/шт
Шлиф.круг самолип. d.125,P.320 SMIRDEX Ф-0908
Проволока AISI 308 d.1.6 мм (1м) Ф-0881 купить в Симферополе
Ф-0881
44 ₽/м
Проволока AISI 308 d.1.6 мм (1м) Ф-0881
Шлиф.круг самолип. d.125,P.240 KLINGSPOR Ф-0905 купить в Симферополе
Ф-0905
45 ₽/шт
Шлиф.круг самолип. d.125,P.240 KLINGSPOR Ф-0905
Электроды плавящиеся МР-3, д3 мм, по черному металлу Ф-1446 купить в Симферополе
Ф-1446
27 ₽/шт
Электроды плавящиеся МР-3, д3 мм, по черному металлу Ф-1446
Ультратонкий отрезной круг д.125/1/22 KLINGSPOR Ф-0835 купить в Симферополе
Ф-0835
277 ₽/шт
Ультратонкий отрезной круг д.125/1/22 KLINGSPOR Ф-0835
Проволока AISI 304 d.1.0 мм (1м) Ф-0880 купить в Симферополе
Ф-0880
16 ₽/м
Проволока AISI 304 d.1.0 мм (1м) Ф-0880
Новинки категории
Рутель (стеклодержатель) для вантового крепления козырьков регулируемый разборный под стекло от 10 до 26 мм, полированный, диаметр внешнего кольца 50мм, шпилька М14х2мм AISI316 k274-3 купить в Симферополе
k274-3
316
/шт
Рутель (стеклодержатель) для вантового крепления козырьков регулируемый разборный под стекло от 10 до 26 мм, полированный, диаметр внешнего кольца 50мм, шпилька М14х2мм AISI316 k274-3
Закладной кронштейн, Ст3 (закладная) k691 купить в Симферополе
k691
17 148 ₽/шт
Закладной кронштейн, Ст3 (закладная) k691
Закладной кронштейн, Ст3 (закладная) k690 купить в Симферополе
k690
26 186 ₽/шт
Закладной кронштейн, Ст3 (закладная) k690
Крепление рутеля к тяге (серьга) (AISI316) М14 k659-16-2 купить в Симферополе
k659-16-2
316
4 857 ₽/шт
Крепление рутеля к тяге (серьга) (AISI316) М14 k659-16-2
Саморез для алюминиевого кондуктора 5,5х55мм,A2 k615-03-55 купить в Симферополе
k615-03-55
304
62 ₽/шт
Саморез для алюминиевого кондуктора 5,5х55мм,A2 k615-03-55
Крепление рутеля к стене, двойное 250мм, фланец с тремя отверстиями, AISI 304 k612-3 купить в Симферополе
k612-3
304
/шт
Крепление рутеля к стене, двойное 250мм, фланец с тремя отверстиями, AISI 304 k612-3
Комплект профиля козырькового анодированного, для стекла 20 мм (10+10 мм), 1000 мм  k300-20-1000 купить в Симферополе
k300-20-1000
25 127 ₽/шт
Комплект профиля козырькового анодированного, для стекла 20 мм (10+10 мм), 1000 мм k300-20-1000
Комплект профиля козырькового анодированного, для стекла 16 мм (8+8 мм), 1000 мм  k300-16-1000 купить в Симферополе
k300-16-1000
21 480 ₽/шт
Комплект профиля козырькового анодированного, для стекла 16 мм (8+8 мм), 1000 мм k300-16-1000
Вант (тяга) для козырька М10, длина 1450 мм AISI 304 k668-10-1450 купить в Симферополе
k668-10-1450
304
4 968 ₽/шт
Вант (тяга) для козырька М10, длина 1450 мм AISI 304 k668-10-1450
Комплект профиля козырькового анодированного, для стекла 20 мм (10+10 мм), 3000 мм  k300-20-3000 купить в Симферополе
k300-20-3000
69 250 ₽/шт
Комплект профиля козырькового анодированного, для стекла 20 мм (10+10 мм), 3000 мм k300-20-3000

Проконсультируйтесь с менеджером по вопросу оказания услуг в городах Республики Крым: Симферополь, Белогорск, Алупка, Красноперекопск, Армянск, Щёлкино, Керчь, Алушта, Ялта, Джанкой, Бахчисарай, Саки, Евпатория, Судак, Старый Крым, Феодосия.
Наш Telegram-канал
Эксклюзивные акции и скидки только для подписчиков: не упусти выгоду!
Перейти на наш канал
Подпишись на наш Telegram-канал
Эксклюзивные акции и скидки только для подписчиков: не упусти выгоду!